반응형



· 제 품 특 징
· 모 델 명 : CON-4110-8-244-10
· 측 정 항 목 : 전도도, 온도
· 측 정 분 야 : Process ( 공정 전용 )
· 전도도 범 위 : 20 uS ~ 500 mS/cm
· 사용온도 : 0 ~ 70 ℃
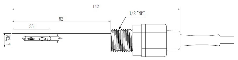
· 연결부 : 1/2" NPT / 삽입길이 : 82mm
· Isolated DC 4~20mA,Max.load 500ohm
· 일체형 전도도 케이블 10m
· 제 품 기 능
· 전도도 또는 저항 측정과 호환 가능합니다.
· 2셀 또는 4셀 전도도 전극 호환 가능 합니다.
· 텍스트 및 그래픽 일러스트레이션, 명확한 기호 및 이해하기 쉽습니다.
· 자동 감지 백라이트 및 명암 설정 기능이 있는 대형 LCM입니다.
· 암호 및 다중 키 설계 보안 강화 기능이 있습니다.
· NTC30K 또는 PT1000으로 자동 온도 보상
· 비선형 또는 선형에 의한 온도 계수 보상
· DC 0/4 ~ 20mA에서 절연 전류 출력 2 세트, 최대. 부하 500Ω
· Hi/Lo, Hi/Hi, Lo/Lo 선택 가능 프로그램 가능한 2 개의 접점 출력이 있습니다.(4110모델)
· 연속 샘플 측정은 안정성을 향상시키는 평균 기능이 있습니다.
· 설정한 시간 간격으로 자동 센서 청소 기능이 있습니다.
· LED 표시 경보 또는 세척 상태 신호를 보여줍니다.
· 측정 값을 문자, 그림 또는 차트 화면 중에 선택 가능합니다.
· 추적 모드는 3분에서 4주 프로그램까지의 측정값 곡선을 표시 가능합니다.
· 로그북 기능 탑재되어 있습니다.
· 하나의 아날로그 출력 및 RS-485 인터페이스 장착되어 있습니다. (4110RS모델)
· 구 성 내 역
· 본체 ( EC-4110 )
· 전극 ( 8-244-10, 10m )
· 1413uS/cm(230mL) 표준용액
· 사용설명서 (국문,영문)
* 제품 출고시 전도도표준용액으로 교정 진행 후 출고 됩니다.
· 적 용 분 야
· 공정, 산업 공정 물 시스템, 물 처리 연속 전도도 측정
· " EC-4110 " 제 품 사 양
품명 |
EC-4110 |
EC-4110RS |
|
측정 범위 |
전도도 |
0.00uS/cm~200.0mS/cm in 5 ranges /Auto or Fixed |
|
비저항 |
0.00~20.00Mohm.cm |
||
온도 |
-30.0~130.0 ℃ |
||
재현성 |
전도도 |
0.01/0.1/1uS/cm, 0.01/0.1mS/cm |
|
비저항 |
0.01mohm.cm |
||
온도 |
0.1℃ |
||
정밀도 |
전도도 |
±1%(±1digit) |
|
비저항 |
±1%(±1digit) |
||
온도 |
±0.2 ℃(±digit) |
||
셀상수 |
K=0.01,0.05, 0.1, 0.5, 10.00cm-1 fixed freely selectable 0.0080~19.99cm-1 |
||
온도보상 |
Automatic with PT-1000 or NTC 30K or manual adjustment |
||
화면표시 |
Back-lit LCD display with auto-sense on/off/auto illumination |
||
아날로그출력1 |
Isolated DC 0/4~20mA corresponding to measurement, max load 500Ω |
||
아날로그출력2 |
Isolated DC 0/4~20mA corresponding to Temp., max. load 600Ω |
ㅡ |
|
시리얼인터페이스 |
ㅡ |
RS-485(MODBUS RTU or ASCII) |
|
접점 |
Contact |
240VAC, 0.5A max. (recommend) |
|
Activate |
Hi/Lo two limited programmable relay outputs, ON/OFF |
||
세정 |
Contact |
240VAC, 0.5A max. (recommend) |
|
Time |
ON:0~9999sec. OFF:0~999.9hours |
||
전원 |
100~240VAC±10%, 50~60Hz |
||
설치방법 |
Panel Mounting |
||
크기 |
96mm × 96 mm × 96 mm (H×W×D) |
||
Cuf off 치수 |
93mm x 93mm (H x W) |
||
중량 |
0.5 kg |
||
Certification |
IP65(NEMA 4X) |
· " 8-244-10 " 전 극 사 양

· 제 품 도면

· " 8-244-10 " 전 극 도면
· 센서 설치시 참조

반응형
'설치형전도도' 카테고리의 다른 글
EC-4110-ICON/EC 전도도 측정기, 8-201-PFA-10 Conductivity Sensor (0) | 2022.10.29 |
---|---|
EC-4110-I 전도도측정기, 8-201-PFA-10 유도식 전도도센서 (0) | 2022.10.29 |
CON-4110RS-8-244-10 공정용 전도도 측정기,Graphite전극 Process (1) | 2022.10.29 |
폐수공정전용 전도도 측정기 Process Wastewater CON-4110-8-241 (0) | 2022.10.29 |
CON-4110RS-8-241, 폐수공정용 전도도 측정기Process Wastewater (0) | 2022.10.29 |