설치형전도도
CON-4310-8-244-10 공정용 전도도측정기,Graphite전극 Process
스마트계측기
2022. 10. 27. 05:54
반응형


EC4310RS 카다로그.pdf
0.68MB


· 제 품 특 징
· 모 델 명 : CON4310-8-244-10
· 측 정 항 목 : 전도도, 온도
· 측 정 분 야 : Process ( 공정 전용 )
· 전도도 범 위 : 20 uS ~ 500 mS/cm
· 사용온도 : 0 ~ 70 ℃
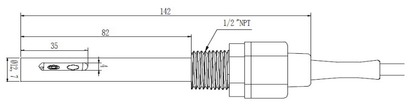
· 연결부 : 1/2" NPT / 삽입길이 : 82mm
· Isolated DC 4~20mA,Max.load 500ohm
· 일체형 전도도 케이블 10m
· 제 품 기 능
· " 전도도, 비저항, 염분, TDS " 변환기 선택 가능
· 최고 0.001μS/cm의 높은 전도도 분해능
· DC 0/4 ~ 20mA에서 절연 전류 출력 2 세트, 최대. 부하 500Ω
· Hi/Lo, Hi/Hi, Lo/Lo 선택 가능 프로그램 가능한 2 개의 접점 출력가능
· 2전극 또는 4전극 센서와 호환 가능
· 암호 및 다중 키 설계 보안 강화 기능
· NTC30K, PT-1000 또는 PT-100으로 자동 온도 보상기능
· 제품 조정 기능의 미세 조정으로 높은 정확도 보장
· 자동 감지 백라이트 및 명암 설정 기능이 있는 대형 LCM 디스플레이
· 멀리 떨어진 곳에서도 한 눈에 인식을 위한 3 개의 별도의 LED 알람기능
· 구 성 내 역
· 본체 ( EC-4310 )
· 전극 ( 8-244-10, 10m )
· 전도도 표준용액 (1413uS/cm, 230ml)
· 사용설명서 (국문,영문)
* 제품 출고시 전도도표준용액으로 교정 진행 후 출고 됩니다.
· 적 용 분 야
· 공정, 산업 공정 물 시스템, 물 처리 연속 전도도 측정
· " EC-4310 "제 품 사 양
| 품명 |
EC-4310 |
EC-4310RS |
|
측정 범위 |
전 도 도 |
0.000uS/cm~2000mS/cm(depends on selected sensor) in 7 ranges; Auto or Fixed |
|
비 저 항 |
0.00~20.00Mohm.cm, ±1%(± 1Digit) |
||
염 분 |
0.0~70.0ppt |
||
T D S |
0ppm~19999ppm; 0.00~199.99ppt |
||
온 도 |
-30.0~200.0 ℃,±2℃(± 1digit) |
||
셀상수 |
K=0.01,0.05,0.1, 0.5, 10.00cm-1 fixed freely selectable 0.0080~19.99cm-1 |
||
온도보상 |
Automatic with PT-1000/100 or NTC 30K or manual adjustment |
||
화면표시 |
Large LCM with auto-sense backlight and contrast function |
||
아날로그출력1 |
Isolated DC 0/4~20mA corresponding to measurement, max load 500Ω |
||
아날로그출력2 |
Isolated DC 0/4~20mA corresponding to Temp., max. load 500Ω |
ㅡ |
|
시리얼인터페이스 |
ㅡ |
RS-485(MODBUS RTU or ASCII) |
|
접점 |
Contact |
240VAC, 0.5A max. (recommend) |
|
Activate |
Hi/Lo, Hi/Hi,Lo/Lo selectable two limited programmable, ON/OFF |
||
세정 |
Contact |
240VAC, 0.5A max. (recommend) |
|
Time |
ON:0~99min 59sec, OFF:0~999hours 59min |
||
대기 온도 |
0~50 ℃ |
||
저장 온도 |
-20~70 ℃ |
||
전원 |
100~240VAC±10%, 50~60Hz |
||
설치방법 |
Wall or pipe or panel mounting |
||
크기 |
144mm × 144 mm × 115 mm (H×W×D) |
||
Cuf off 치수 |
138mm x 138mm (H x W) |
||
중량 |
0.8 kg |
||
Certification |
IP65(NEMA 4X) |
||
· " 8-244-10 " 전 극 사 양
· 제 품 도면
· " 8-244-10 " 전 극 도면
· 센서 설치시 참조
반응형






